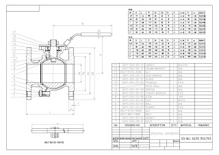
DIN Flange Ball Valve,PN16,CF8M,With ISO5211 Direct Mounting Pad
DIN Flange Ball Valve,PN16,CF8M,With ISO5211 Direct Mounting Pad
Model:Q41F-PN16-1/2″
DIN Flange Ball Valve Direct Mount provides safe operation for both general and industrial chemical applications and hazardous environments. A full bore high performance valve with Stainless Steel body, reinforced PTFE seat, graphite seal and ISO mounting top for actuation.
Benefiting from a split body, two piece design , Fire Safe certified to API607 4th edition with an antistatic spring loaded ‘stem-to-ball’ and ‘stem-to-body’ fitted as standard.
Key features:
Available in PN16, sizes: 1/2″ to 8″.
Temperature range: -20 °C to 180°C.
Operating pressure: PN16 Rated.
Insulated grip, lockable lever handle.
Movement: 90° turn.
Available in PN16, sizes: 1/2″ to 8″.
Temperature range: -20 °C to 180°C.
Operating pressure: PN16 Rated.
Insulated grip, lockable lever handle.
Movement: 90° turn.





评论
发表评论